Giỏ hàng
Còn hàng
Shop bán những sản phẩm giá cực kì tốt và có tính cạnh tranh cao so với các shop khác, sản phẩm rất chi hài lòng

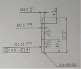
Chày đột dập SKD11

46.000₫

Mô tả:

Mô tả đang cập nhật
Kích thước

Chày đột dập SKD11

🚩 Để biết thêm chi tiết và liên hệ tư vấn về các linh kiện khuôn mẫu, linh kiện, phụ tùng cơ khí hãy liên hệ ngay với HTH qua Thông tin liên hệ:

----------------------------------------------------------------------------
CTY TNHH Công nghiệp và Dịch vụ HTH
Địa chỉ: A19, ô 12 Khu A Geleximco, An Khánh, Hoài Đức, Hà Nội, Việt Nam
Email: info@cokhihth.com.vn
Hotline: 0348988488 - 0911988488

Hotline 0348 988 488 Hotline 0911 988 488