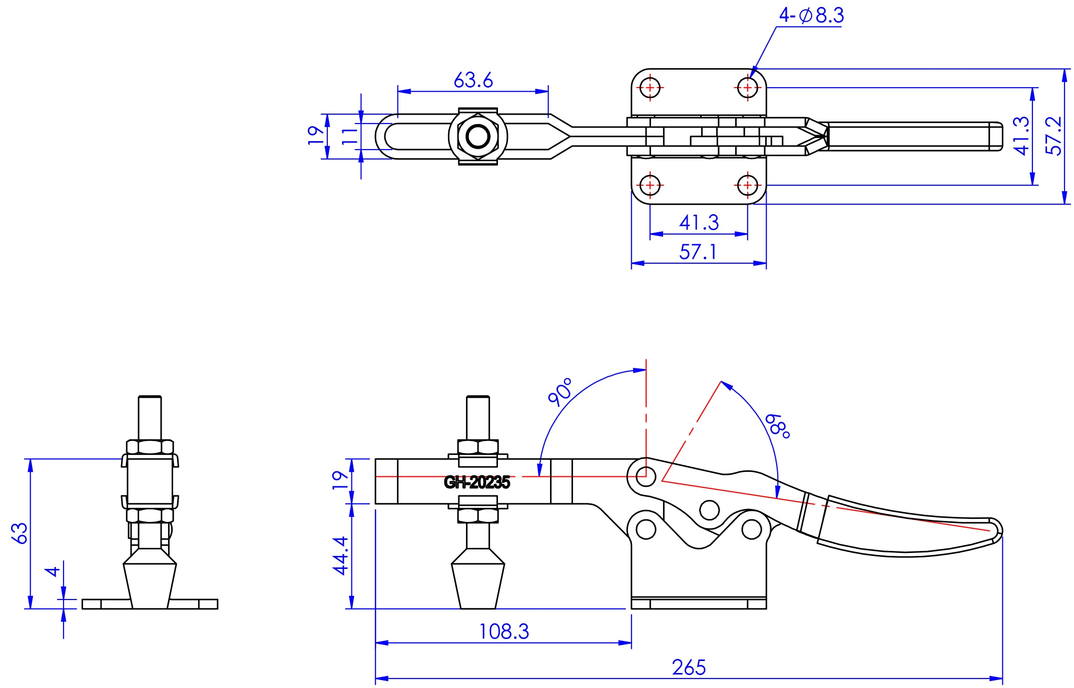
- Kẹp định vị GH-20235 là loại kẹp định vị ngang

Ứng dụng trong công nghiệp:
- Kẹp định vị GH-20235 được sử dụng rộng rãi trong các linh kiện điện tử, thông tin thiết bị sản xuất, ô tô, xe máy, xe đạp và tấm kim loại, sắt, hay nhóm ống nội thất khác.
- Các thiết bị thể thao, lắp ráp máy bay, đồ chơi, nghệ thuật và các hàng thủ công cần cố định bộ phận kẹp liên quan.
- Dùng trong gá kẹp ngành công nghiệp khuôn mẫu.
- Trong các nhà máy sản xuất, lắp ráp, hay ép nhựa để ngăn chặn sự biến dạng của các sản phẩm đã hoàn thành.
- Trong sản xuất các sản phẩm gỗ, hay các nhà máy sản xuất lắp ráp liên quan đến các bộ phận của máy bay .
- Trong gia công kim loại, nhôm hay trong các máy CNC, NC phay, bào, tiện… hoặc trong khai thác, kiểm tra và tương tự.
- Trong sản xuất hóa chất và dược phẩm, thực phẩm và các ngành công nghiệp khác như đường ống liên quan đến việc cố định. - Và kẹp định vị được sử dụng nhiều trong ngành công nghiệp ứng dụng khác cần đến ứng dụng kẹp cố định với thao tác nhanh gọn.
🚩 Để biết thêm chi tiết và liên hệ tư vấn về các linh kiện khuôn mẫu, linh kiện, phụ tùng cơ khí hãy liên hệ ngay với CTY TNHH Công nghiệp và Dịch vụ HTH, đội ngũ nhân viên sẽ hỗ trợ bạn.
----------------------------------------------------------------------------
CTY TNHH Công nghiệp và Dịch vụ HTH
Địa chỉ: A19, ô 12 Khu A Geleximco, An Khánh, Hoài Đức, Hà Nội, Việt Nam
Email: info@cokhihth.com.vn
Hotline: 0348988488 - 0911988488